Пожар здесь, пожар там… Яхты горят! И сразу же в комментариях к новостям появляются торопливые комментарии: литий виноват! Да, литиевые аккумуляторы на яхтах давно перестали быть экзотикой, при этом кто-то уверен, литий - это неуправляемая бомба, а кто-то - что это новое чудо и замена AGM. На самом деле все сложнее...





Текст: Артур Гроховский
Когда-то разговор о литиевых аккумуляторах на яхте почти неизбежно переходил на взволнованный шепот. Внимание публики подогревали сюжеты новостей про вспыхнувшие телефоны, загоревшиеся электросамокаты и красочные видеоролики с «взрывами» литиевых батарей. В морской среде, где консерватизм - родной брат надежности, это породило устойчивый миф: литий опасен и на яхте ему не место. Однако за последние десять лет отношение изменилось. Технологии стали зрелыми, опыт многочисленных установок - убедительным, а статистика - значительно более спокойной, чем пугающие «городские легенды». И сегодня в повестке дня уже не вопрос «можно ли?», а вопрос — «как именно?» безопасно использовать литий на борту. Но чтобы понять, почему страхи зачастую преувеличены, нужно разобраться в самой природе литиевых технологий и в том, какие из них на самом деле работают на парусных судах.
1. Какие литиевые аккумуляторы встречаются на яхтах, и почему это имеет значение
В обиходе словом «литий» нередко называют все подряд, от батарейки ноутбука до тягового пакета электромобиля. Между тем под этим «зонтиком» скрываются разные химические системы с разным поведением, разной устойчивостью и совсем разной склонностью к возгоранию. Понимание разницы не только снимает страхи, но и помогает оценить реальный уровень риска.
LiFePO: штатный морской «якорь безопасности»
Литий-железо-фосфатные элементы, или LiFePO (сокращенно LFP), стали фактическим стандартом яхтенной энергетики. Это химия с удивительно устойчивым характером: она не склонна к тепловому разогреву («разгону»), спокойно переносит глубокие разряды, не страдает от «эффекта старения» при простое и выдерживает тысячи циклов заряда. Внутри нее происходят более «ленивые» электрохимические процессы, чем у более энергоемких литиевых собратьев. И именно это делает LFP самым «дружелюбным» партнером для морской среды, где вибрации, перепады температуры и влажность неизбежны.
Температура начала теплового «разгона» у LiFePO около 210–260 °C, что значительно выше, чем у более «спортивных» химических соединений. А главное - при повреждении или перегреве этот материал не выбрасывает кислород, который в других литиевых системах становится своеобразным ускорителем пожара. Поэтому даже при грубых ошибках эксплуатации LFP, как правило, не стремится к стремительному факельному возгоранию, характерному для литий-кобальтовых систем.
NMC: это тоже литий, но совсем другой
NMC (литий-никель-марганец-кобальт) — это та группа аккумуляторов, что стоит в электромобилях. Высокая энергоемкость, впечатляющая плотность энергии, быстрые токи заряда - все это прекрасно для транспорта, но не всегда уместно в стационарной энергетике яхты. У NMC есть собственные правила обращения и свои «капризы». Они более чувствительны к перезаряду, менее устойчивы к механическим повреждениям и начинают тепловой «разгон» при более низких температурах.
На яхтах такие батареи встречаются редко и обычно только в составе промышленно сертифицированных тяговых систем для гибридных установок.
LCO, NCA, LMO и прочие «недоморские литии»
Это тот самый «литий», который фигурирует в новостях о внезапных возгораниях гаджетов, электросамокатов и игрушек. Они созданы для энергоемкости, а безопасность для них - вторичный параметр. Такие элементы часто имеют мягкий корпус (pouch), боятся механической деформации и более остро реагируют на ошибки зарядки.
Именно эти батареи чаще всего оказываются виновниками инцидентов на яхтах: не в составе бортовой энергосистемы, а как личные устройства экипажа, заряжаемые в каюте.
2. Что такое тепловой «разгон», и почему он пугает?
Тепловой «разгон» - это химическая цепная реакция внутри элемента, когда тепло выделяется быстрее, чем рассеивается. У энергоемких литиевых элементов эта реакция может быстро перейти в катастрофическое состояние: температура растет лавинообразно, корпус раздувается, электролит начинает разлагаться, выделяясь с огромной скоростью. Если материал катода выделяет кислород (как LCO или NMC), огонь подпитывается изнутри.
LiFePO ведет себя совершенно по-другому. Даже в аварийном режиме он проявляет себя скорее как горячий объект, чем как факел. Для того, чтобы LFP начал опасное саморазогревание, нужно сочетание ряда грубых ошибок: тотальный перезаряд, отказ BMS (системы управления, мониторинга и защиты), замыкание внутри ячейки и длительная нагрузка в этом состоянии. Да, такое теоретически возможно, но в реальности встречается чрезвычайно редко, особенно если система собрана из сертифицированных компонентов.
3. Реальные случаи возгораний на яхтах: факты, а не эмоции
Чтобы увидеть реальную картину, достаточно посмотреть на статистику страховых компаний и на несколько хорошо документированных случаев последних лет.
Пальма-де-Майорка, 2022 год: ночной пожар от самоката
Именно такие эпизоды чаще всего порождают пугающие заголовки. На стоянке в Пальме загорелся электросамокат с батареей литий-кобальтовой химии. Он стоял в салоне яхты, заряжаясь от обычной розетки. Пламя распространилось по мягкой мебели за полторы минуты. LiFePO-банк, находившийся в машинном отделении и установленный по всем правилам, при этом остался цел, он даже не нагрелся.
Австралийский чартерный катамаран, 2021 год: самодельный NMC-пакет
На борту был установлен кустарный модуль из NMC-банок, собранный владельцем и подключенный к зарядному устройству, рассчитанному на батареи AGM. BMS отсутствовала. Перезаряд вызвал ускорение химических реакций, одна из ячеек раздулась, давление прорвало корпус. Пожар был локализован, но катамарану потребовался ремонт.
Маршалловы острова, 2023 год: механическое повреждение pouch-элементов
При сильной бортовой качке мебель в салоне сорвалась с креплений и упала на мягкие pouch-банки, установленные без рамы. Давление привело к повреждению нескольких ячеек и выбросу горячего газа. Пожар удалось быстро погасить, но корпус батареи сгорел полностью.
Эпизоды с LiFePO — редки и обычно не катастрофичны
За последние годы зафиксировано всего несколько случаев перегрева LiFePO-банок. Во всех случаях виновником был перезаряд, вызванный либо неисправной BMS, либо установкой неподходящих зарядных устройств. Ни один из этих эпизодов не привел к факельному пожару - было задымление, повышение температуры, отключение системы, но без распространения огня.
4. Почему на яхте литий живет по своим законам
Морская среда - это постоянное движение, вибрации, влажность, а иногда и «соленая пыль», которая неожиданно проникает в отсеки, где, казалось бы, не должно быть ни капли влаги. Поэтому батарея, которая в доме или автомобиле служила бы годами безупречно, на яхте может начать вести себя иначе, если ее неправильно установить.
Литий более чувствителен к качеству электрической системы. Батареи AGM многое прощают: они терпеливо принимают плохие контакты, перепады напряжения и не слишком корректные зарядные профили. LiFePO – нет, он честно показывает все слабые места судовой проводки, и в этом, как ни странно, его достоинство. Так что владельцам приходится отказываться от былых привычек.
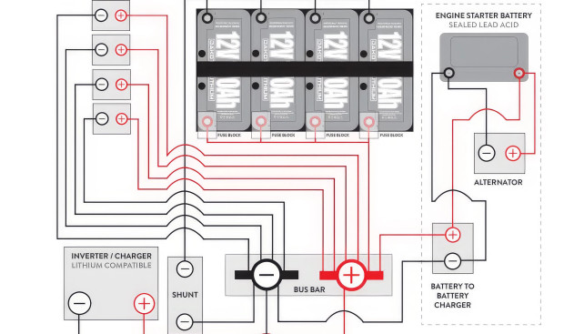
5. Как сделать литий действительно безопасным: важность грамотной установки
Главный элемент безопасности - не сама батарея, а BMS. Она должна уметь вовремя отключить батарею, если напряжение поднимается выше нормы, если ток неожиданно вырос, если температура ушла в опасную зону. В дорогих модулях установлены по два датчика на секцию, предусмотрена программируемая балансировка и четкий алгоритм аварийных действий. В дешевых все это часто имитируется на бумаге, но не реализовано в «железе».
Не менее важен правильный алгоритм зарядки. Популярная, но опасная ошибка — попытка заряжать литий «как AGM». Батарейный AGM-профиль долго удерживает повышенное напряжение, а литий воспринимает это как избыточный заряд. Несколько часов такой «заботы» превращаются в ускоренную деградацию или, в худшем случае, в аварийный нагрев.
Одним из ключевых вопросов является подключение лития к генератору двигателя. Генераторы малых дизелей не рассчитаны на длительную работу на максимальной нагрузке. А литий охотно принимает огромный ток, что буквально «вешает» генератор на крюк. Если перегрев приведет к отключению лития через BMS, напряжение может подскочить до опасных величин. Поэтому переход на DC-DC-конвертер — не роскошь, а необходимость.
С механической фиксацией тоже все сложнее, чем кажется. LiFePO тяжелее AGM-эквивалента, но при этом выдерживает меньше боковых нагрузок на корпус. Плохо закрепленная батарея на крутой волне может испытать ударную перегрузку в несколько G, и не всякая пластиковая коробка это выдержит. Правильная установка предполагает раму, упоры и фиксацию в трех плоскостях.
6. Что происходит, если LiFePO все-таки перегревается
Важное отличие LFP от других литиевых систем - способность к относительно «спокойной» аварии. В большинстве случаев перегрев приводит не к пламени, а к локальному задымлению, повышению температуры корпуса и отключению батареи BMS.
Тушение LiFePO удивительно простое - водой. В пресной или морской воде нет ничего, что реактивно вступало бы в контакт с материалами LiFePO. Главное - охлаждение, быстрое и щедрое.
Это одна из причин, почему пожарные команды все чаще обучаются работе именно с LFP: его поведение предсказуемо, а тактика ликвидации понятна.
7. Мифы и реальность: к чему действительно стоит относиться серьезно
Миф о том, что «литий - это бомба», во многом родился из-за путаницы между разными химиями. LiFePO не имеет ничего общего с батарейками смартфонов — ни в поведении, ни в структуре, ни в вероятности аварии.
Статистика страховых компаний четко показывает: подавляющее большинство пожаров на яхтах происходят из-за старой проводки, неаккуратной модернизации, коротких замыканий в распределительных коробках или утечек топлива. На их фоне литий - особенно установленный по соответствующим стандартам - выглядит не угрозой, а, наоборот, шагом вперед в сторону стабильности.
С другой стороны, литий действительно не терпит халтуры. Неправильная BMS, заряд AGM-профилем, плохая механическая фиксация или подключение к генератору напрямую - все это пути к неприятностям. Не потому, что литий опасен, а потому, что яхта как объект предъявляет к электрике куда более жесткие требования, чем дом.
8. Итог: литий - не риск, а инструмент, и как всякий инструмент, он требует умения
Переход на LiFePO - это не просто замена аккумулятора, это фактически обновление подхода к энергетике яхты. Как когда-то переход с керосиновых ламп на электричество требовал перестройки привычной логики освещения, так и литий требует внимательности в деталях, аккуратности в монтаже и понимания своего оборудования.
Но правильно настроенная литиевая система вознаграждает сторицей: она стабильнее, долговечнее, энергоэффективна и предсказуема. Она меньше греется, легче отдает энергию, быстрее заряжается и терпеливо переносит глубокий разряд. По большому счету, это один из самых безопасных элементов современной яхты - при условии, что ей дали работать так, как она должна.
И, пожалуй, главный аргумент в пользу LiFePO звучит не из уст инженеров или продавцов, а со стороны страховых компаний... количество заявленных случаев пожаров от правильно установленных литиевых систем не просто мало - оно статистически ничтожно, особенно в сравнении с дизельными установками и старой проводкой. Это тот редкий случай, когда прогресс действительно делает море спокойнее.
---
Мороз, ветер, поземка. Случалось ли вам видеть парусные гонки в такую погоду? По белой равнине, поднимая снежную пыль, летят десятки разноцветных крыльев...
Издавна считается, что борода моряка - символ мужской силы, отваги, воли, мудрости, гордости. Особенно если эта борода шкиперская, фирменная.
В гости к Табарли - один день из жизни Брижит Бардо и Алена Делона
«Если вы знаете историю, если вы любите корабли, то слова «обогнуть мыс Горн» имеют для вас особое значение».
Сэр Питер Блейк
Объемные очертания, надежная рубка и много лошадиных сил – вот что отличает мотосейлер от других яхт. Когда-то весьма популярные, сегодня они занимают на яхтенном рынке лишь узкую нишу. Собственно, почему?
Каждый яхтсмен должен быть «на ты» с навигационными огнями – судовыми и судоходными. Но есть огни, которые «живут» сами по себе, они сами выбирают время посещения вашего судна, а могут никогда не появиться на нем. Вы ничего не в силах сделать с ними, кроме одного – вы можете о них знать. Это огни Святого Эльма и шаровая молния.








